○美咲町一般廃棄物処理業の許可及び業務の執行に関する要綱

平成28年8月1日

告示第49号

(目的)

第1条 この告示は、廃棄物の処理及び清掃に関する法律(昭和45年法律第137号。以下「法」という。)第7条第1項及び美咲町廃棄物の処理及び清掃に関する条例(平成17年美咲町条例第172号。以下「条例」という。)第18条並びに美咲町廃棄物の処理及び清掃に関する条例施行規則(平成17年美咲町規則第104号。以下「規則」という。)第7条の規定による町長の許可を受けて、一般廃棄物の収集及び運搬(以下「収集等」という。)を業として行う者の許可手続及び許可基準を定め、その適正な運用を確保することを目的とする。

(用語の定義)

第2条 この告示において、次の各号に掲げる用語の意義は、当該各号に定めるところによる。

(1) 一般廃棄物 産業廃棄物以外の廃棄物で、し尿及び浄化槽汚泥を除いたものをいう。

(2) 処理業 法第7条第1項の規定により、町長の許可を受けて、収集等を業として行うことをいう。

(3) 処理業者 処理業の許可を受けて処理業を行う者をいう。

(4) 従業員 処理業に従事する者をいう。

(5) 収集車両 処理業の用に供する車両のうち、収集等のために使用する車両をいう。

(6) 事業所 事業活動に伴って生じた一般廃棄物の収集等を処理業者に委託する事業所をいう。

(7) 事業者 事業所の経営、管理の主体者をいう。

(8) 作業場 一般廃棄物を分別する等業務のための施設をいう。

(9) 申請者 処理業の許可を受けようとする者をいう。

(処理業者及び事業者の責務)

第3条 処理業者及びその従業員並びに事業者は、法令等に定めのあるもののほか、町長又は関係職員が行う職務上の指示を守り、一般廃棄物を適正に処理するとともに、再利用等によるその減量化及び作業に当たっての清潔性の保持等に努めなければならない。

(業務の管理)

第4条 処理業者は、従業員に適正な指示を行うとともに、施設、設備、機材、要員等の正常な維持を確保し、的確に業務を行うよう管理しなければならない。

(許可の対象範囲)

第5条 処理業の許可の対象範囲は、次の各号に掲げる業務とする。

(1) 町内における事業活動によって生じた一般廃棄物であって、町が収集等をすることが困難であるものの個別収集等に係る業務

(2) 町内のごみ出しの困難な一般家庭から排出される一般廃棄物の個別収集等に係る業務

(3) 引っ越し等又は空家等の清掃に伴い、臨時に排出される一般廃棄物の個別収集等に係る業務

(許可の基準)

第6条 処理業の許可は、次の各号に掲げる基準に適合すると認められる者でなければ行わない。

(1) 申請に係る収集等の業務について、町で行うことが困難であり、かつ、町の一般廃棄物処理計画に適合するものであること。

(2) 申請に係る一般廃棄物を適正に処分する引受け施設があること。

(3) 収集等に供する施設及び申請者の能力がその事業を的確に、かつ、継続して遂行するに足る能力を有すること。

(4) 一般廃棄物が飛散し、及び流出し、並びに悪臭が漏れるおそれのない収集車両、運搬容器その他の運搬施設を有すること。

(5) 作業場を有する場合は、一般廃棄物が飛散し、及び流出し、並びに悪臭が発散しないように必要な措置を講じた施設であること。

(6) 収集等を的確に行うに足りる知識及び技能を有すること。

(7) 収集等を的確に、かつ、継続して行うに足りる経理的基礎を有すること。

(8) 申請者は、法第7条第5項第4号イからルまでのいずれにも該当しないこと。

(9) 国税(法人税、消費税及び地方消費税)、県税、町税、国民健康保険税、介護保険料、後期高齢者医療保険料、水道料、下水道料、みさきネット使用料、保育料、学校給食費(申請者が法人の場合は、当該法人に係る社会保険料を含む。以下「税金等」という。)の滞納がないこと。

(10) 津山圏域資源循環施設組合に支払うべき廃棄物処理手数料の未納がないこと。

(11) 申請者(法人の場合は、本社、又は支店等を町内に有すること)は、住所(住民基本台帳法(昭和42年法律第81号)に規定する住民基本台帳に登載されている住所をいう。)、作業場、車庫を町内に有すること。

(12) 収集車両に乗込み、作業に従事する従業員が、無蓋車にあっては1台につき2人以上、有蓋車又は機械車にあってはなるべく2人以上確保されていること。

(13) 申請者は、法第14条に規定する産業廃棄物処理業の許可を取得していること。ただし、他市町村等で、法第7条に規定する一般廃棄物処理業の許可を既に取得している場合は、この限りでない。

(14) 更新許可の申請をする場合においては、現行の許可期間内において、当該許可を受けている一般廃棄物の収集運搬実績が認められること。(ただし、過去に美咲町一般廃棄物収集運搬業務の受託実績がある事業者については、この限りでない。)

(許可の有効期間)

第7条 処理業の許可の有効期間は、町長が別に定める日から2年間とする。ただし、特別な事由があるときは、2年間を超えない範囲内において、町長が定める期間とする。

2 前項の期間の中途で新たに事業範囲の変更の申請をした者に係る許可の有効期間は、変更の許可の日から期間の満了日までとする。

(許可申請)

第8条 申請者は、規則第7条の規定により一般廃棄物収集運搬業許可(更新)申請書(以下「申請書」という。)に、次の書類を添えて町長に提出しなければならない。

(1) 本社、又は支店等を町内に有していることが分かる書類の写し(美咲町へ提出した法人設立届、又は法人等の異動届、登記簿謄本又は履歴事項全部証明書)(個人の場合は住民票抄本(本籍地の記載のあるもの))及び定款の写し

(2) 役員名簿(様式第1号)、役員の住民票抄本(本籍地の記載のあるもの)

(3) 従業員名簿(様式第2号)、従業員の住民票抄本(本籍地及び続柄の記載を省略したもの)

(4) 収集車両一覧表(様式第3号)、当該車両の自動車検査証の写し

(5) 収集車両の車庫の所在地及び付近の見取図(様式第4号)、車庫の平面図及び構造(様式第5号)

(6) 車庫を借りる場合は、車庫の所有者の車庫貸付承諾書、許可申請者の当該車庫使用誓約書(様式第6号)

(7) 収集車両用の洗車設備の状況又は洗車設備を借りる場合は借入先及びその設備の概況を示す収集車両洗車設備状況書(様式第7号)

(8) 作業場の所在地及び付近の見取図(様式第8号)、作業場の平面図及び構造(様式第9号)

(9) 作業場を借りる場合は、作業場の所有者の作業場貸付承諾書及び許可申請者の当該作業場の作業場使用誓約書(様式第10号)

(10) 一般廃棄物処理受託状況集計表(様式第11号)

(11) 一般廃棄物処理依頼証明書(様式第12号)

(12) 最近の決算期(2年間)に係る決算書(個人の場合は確定申告書の写し)又はこれに代わる収支状況明細書及び収支計画書

(13) 申請者(申請者が法人の場合は、その代表者を含む。)の税金等の滞納がないことを証明するもの(申請者が法人の場合は、当該法人に係る社会保険料の滞納がないことを証明する書類を含む。)

(14) 法により他に許可を受け、又は許可を申請している廃棄物の処理に関する事業の種類を示す廃棄物の処理に係る許可事業一覧表(この許可申請以外のもの)(様式第13号)

(15) その他町長が許可申請の審査に必要なため、特に提出又は提示を求めた書類

2 既に許可を受けている者が、引き続き許可を受けようとする場合にあっては、前項各号に規定する書類を添えて、有効期間満了の日の1箇月前までに町長に提出しなければならない。

(実地調査及び関係者への確認)

第9条 処理業の許可申請の審査に当たって、町長は、次の各号に掲げる事項について関係職員に実地調査及び事業所その他関係者に対しての照会等の方法で確認させるとともに、廃棄物の適正な処理について必要な指示を行わせるものとする。ただし、既に許可を受けている者が引き続き許可を受けようとする場合にあっては、既許可と同一内容に係る事項の確認については、その全部又は一部を省略することができる。

(1) 収集車両の車庫及び洗車設備の状況

(2) 収集車両の整備状況

(3) 申請者の住所並びに事務所及び作業場等の所在地

(4) 許可申請を行っている者に収集等を委託しようとする事業所に係る当該一般廃棄物を排出する業種並びに一般廃棄物の種類及び排出方法

(5) 前条第1項第14号の書類に記載された事業の執行状況

(6) 美咲町一般廃棄物処理業許可基準における本店、支店等に関する定義を定める基準(令和元年美咲町告示第87号)第3条又は第4条に規定する基準を満たしているかについての状況調査

(7) その他町長が許可に当たって特に調査が必要と認めた事項

(許可証の交付及び許可の条件)

第10条 町長は、第8条に規定する申請書を受理し、美咲町一般廃棄物処理業許可等審査委員会設置要綱(平成28年美咲町訓令第17号)第2条第1号に規定する許可を決定した時は、規則第9条第1項に規定する一般廃棄物処理業許可証(以下「許可証」という。)を交付するものとする。

2 前項の許可に当たって、町長は、許可の期間、許可の対象事業の範囲、取扱事業所、収集車両及び収集車両用の車庫の特定その他一般廃棄物を的確に処理するため必要な条件を付するものとする。

3 一般廃棄物処理業の許可を受けた者(以下、「許可業者」という。)は、誓約書(様式第18号)を町長に提出しなければならない。

4 第1項に規定する許可証の交付は、前項の誓約書の提出を受けた後に行うものとする。

(従業員証)

第11条 処理業者は、その従業員について、規則第9条第2項の規定により一般廃棄物処理業従業員証(以下「従業員証」という。)の交付を受けなければならない。新たに従業員を加え、又は従業員を変更した場合についても同様とする。

2 処理業者は、従業員に常に従業員証を携帯させ、関係職員又は関係人から請求があったときは、これを提示させなければならない。

(許可証及び従業員証の再交付)

第12条 許可証又は従業員証を紛失し、若しくは汚損し、又は従業員証の記載事項に変更を生じたときは、処理業者は、事実が発生した日又はその事実を知った日から7日以内に規則第13条第1項の規定による許可証毀損紛失届又は規則第9条第4項の規定による一般廃棄物処理業従業員証再交付申請書を町長に提出して再交付を受けなければならない。この場合において、汚損し、又は再交付後発見された許可証及び従業員証並びに記載事項に変更を生じた従業員証は、町長に返納しなければならない。

(許可申請手数料の納付)

第13条 処理業者は、第10条及び前条の規定により、許可証の交付又は再交付を受けるときは、条例第25条の規定による許可申請手数料を納付し、その領収書を提示するものとする。

(許可証及び従業員証の返納)

第14条 処理業者は、事業の全部を廃止し、又は従業者を変更した場合は、許可証又は処理業に従事しなくなった従業員に係る従業者証を、当該届出又は申請の際添付し、町長に返納しなければならない。

(事業主体の変更の許可申請等)

第15条 個人で処理業の許可を受けている者が、第7条に定める許可期間の中途で事業主体を法人に変更しようとするときは、新たに設立する法人に係る許可申請を行うとともに、既に許可を受けている個人の処理業の廃止の届出もあわせて行わなければならない。

2 個人で許可を受けていた者が新たに設立する法人を代表する役員であり、かつ、実態的にも事業を総括する責任者である場合は、前項の手続に代えて、一般廃棄物処理業事業主体変更承認申請書(様式第14号)第8条各号の添付書類を添えて町長に提出し、事業主体の変更の承認を求めることができる。この場合において、町長が特に認める場合は、添付書類のうちその一部を省略することができる。

3 町長は、前項の申請について審査の上、承認することとしたときは、その旨を文書により申請者に通知するものとする。

(収集車両の一時使用)

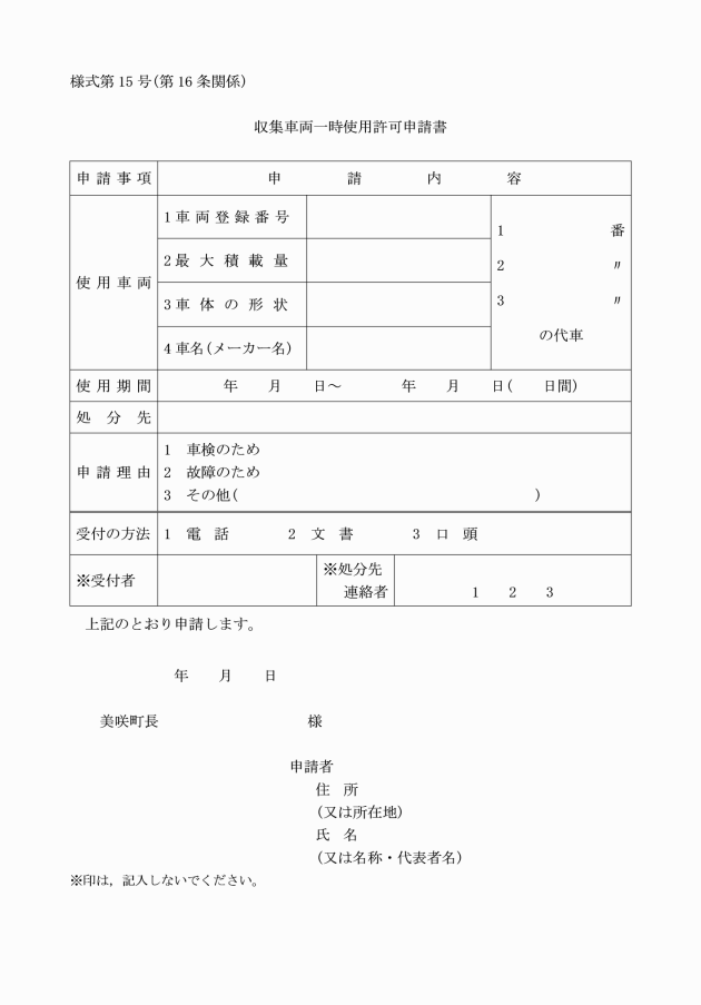
第16条 処理業者が、町長の許可を受けた収集車両(以下「許可車両」という。)以外の車両をやむを得ない事由により、一時使用する場合においては、収集車両一時使用許可申請書(様式第15号)を町長に提出し、その許可を受けなければならない。

2 処理業者は、緊急その他やむを得ない事由により、前項の申請書を提出することができないときは、関係職員にその内容を電話その他の方法により連絡し、許可を求めることができる。ただし、事後に前項の申請書を提出しなければならない。

3 町長は、前項の規定による申請があったときは、収集車両の一時使用の許可及び許可の条件又は不許可の旨を文書に代え、関係職員から処理業者に電話その他の方法により通知させることができる。

4 町長は、収集車両一時使用許可申請についてこれを許可したときは、関係職員により、その旨を津山圏域クリーンセンターに通知しなければならない。

(収集車両の目的外使用)

第17条 処理業者は、収集車両を他の事業の用に供し、又は他に貸し付けてはならない。

2 処理業者がやむを得ない事由により、収集車両を他の事業の用に供し、又は他に一時貸し付けるときは、収集車両目的外使用届(様式第16号)により事前に町長に届出し、その承認を受けなければならない。

(業務の開始)

第18条 処理業者は、処理業の許可又は変更の許可若しくは変更の届出の受理及び承認を受けるまでの間は、当該業務に従事してはならない。

2 処理業者は、従業員証の交付を受けるまでの間は、従業員を処理業の業務に従事させてはならない。

(業務の範囲)

第19条 処理業者は、第5条第2号又は同条第3号に規定する一般家庭から排出される一般廃棄物の処理又は事業所(収集等について町長の許可を受けた事業所に限る。)においてその事業活動により生じた一般廃棄物の処理を受託し、これを町の一般廃棄物処理計画に基づき収集等を行い法の定めるところにより適正に処分するものとする。

(分別等)

第20条 処理業者及び事業所は、津山圏域クリーンセンター又は特定家庭用機器再商品化法(平成10年法律第97号。以下「家電リサイクル法」という。)第29条の規定に基づき設置される指定引取場所(以下「町の指定する処理施設」という。)に処分を依頼する一般廃棄物について、当該処理施設の受入れ品目に適合するようその排出、収集等に当たって分別する等適切な措置を講じなければならない。

(収集車両)

第21条 処理業者は、収集等について、許可車両(第16条の規定による一時使用車両を含む。)以外の収集車両を使用してはならない。

(許可車両の表示等)

第22条 許可車両(第16条の規定による一時使用車両を除く。)には、収集時に車体の両側に業者名及び車両許可番号を判別し得る表示をしなければならない。

2 前項の規定による車両許可番号の表示は、町長が交付する標識により行うものとする。

(車両の整備)

第23条 処理業者及び従業員は、一般廃棄物を飛散、流失し、悪臭及び汚水が漏れるおそれのないよう常に収集車両を点検整備し、安全かつ清潔に保持しなければならない。

(シートの使用等)

第24条 処理業者及び従業員は、収集車両が無蓋車である場合には、一般廃棄物を積載し走行するに当たって、積載物が飛散又は脱落しないようシートを使用する等の措置をしなければならない。

(車両の格納)

第25条 処理業者及び従業員は、作業終了後、収集車両を町長の許可を受けた車庫に確実に格納し、かつ、扉を閉鎖する等周囲に迷惑を及ぼさないようにしなければならない。

(車庫の整備)

第26条 収集車両用の車庫は、周囲を閉鎖し得るものであり、かつ、処理業者及び従業員は、当該車庫について悪臭及び汚水等が外部に漏出し、又は地下に浸透する等周囲に迷惑を及ぼすことのないよう常に整備し、清潔に保持しなければならない。

(処分の方法)

第27条 処理業者は、事業者から処理を受託した一般廃棄物については、再利用に供することが確実であると認められる者に引き渡す場合のほか、次の各号のいずれかの方法により処分しなければならない。

(1) 町の指定する処理施設に搬入し、処分を依頼すること。

(2) 収集等を委託した事業所の処理施設で法令の規定に適合するものに搬入し、その管理者に確実に引き渡すこと。

(3) その他法令の規定に適合する処理施設に搬入し、その管理者に処分を依頼すること。

(町の指定する処理施設への搬入物)

第28条 町の指定する処理施設に搬入する一般廃棄物は、次の各号により搬入しなければならない。

(1) 法、家電リサイクル法並びに津山圏域資源循環施設組合の定める条例規則及び要綱並びに一般廃棄物処理計画等に従うこと。

(2) 町の指定する処理施設の管理職員が、別に指示する場合においては、前号の規定にかかわらず当該指示により搬入するものとする。

(省令による帳簿)

第29条 処理業者は、法第7条第15項及び廃棄物の処理及び清掃に関する法律施行規則(昭和46年厚生省令第35号。以下「厚生省令」という。)第2条の5第1項に定めるところにより帳簿を備え付け、一般廃棄物の種類ごとに次の各号に掲げる事項を記載しなければならない。

(1) 収集等年月日

(2) 受入先

(3) 運搬方法及び運搬先ごとの運搬量

2 前項の帳簿は、厚生省令第2条の5第2項の規定により、処理業者の作業場ごとに備え、毎月末までに前月分について記載を終了していなければならない。

3 第1項の帳簿の保存は、厚生省令第2条の5第3項の規定により、次の各号によるものとする。

(1) 帳簿は、1年ごとに閉鎖すること。

(2) 帳簿は、閉鎖後5年間作業場ごとに保存すること。

(報告)

第30条 処理業者は、毎月5日までに前月中の一般廃棄物の収集、運搬及び処分の状況等について、一般廃棄物処理状況報告書(様式第17号)により町長に報告しなければならない。

2 前項の報告書の記載事項は、前条の帳簿及び証票書類等に整合していなければならない。

第31条 町長は、法第18条の規定により、前条の報告のほか、法の施行上必要がある場合は、事業者又は処理業者に対し、廃棄物の保管、収集、運搬又は処分に関し、必要な報告を求めるものとする。

(違法行為の告発)

第32条 町長は、町内において、一般廃棄物の収集、運搬又は処分について、法第25条から第32条までに規定する罰則の適用がある行為(以下「違法行為」という。)が行われたと認めた場合は、刑事訴訟法(昭和23年法律第131号)第239条の規定により、関係職員に職務上知り得た違法行為について告発させ、又は関係機関に通報させるものとする。

(てん末書等)

第33条 処理業者又は事業所が、前条の違法行為その他廃棄物の処理について法令等(条例及び規則並びにこの要綱、廃棄物の処理に関する関係機関の通知及び処理業の許可条件を含む。以下同じ。)に定められた事項を遵守せず、不適正な行為があり、若しくはあると思われ又はそのおそれのあるときは、町長は、当該関係者にてん末書、弁明書若しくは始末書の提出又は弁明及びこれに関する有利な証拠の提出を求めるものとする。

2 次条の処分を行う場合には、行政手続法(平成5年法律第88号)第13条又は美咲町行政手続条例(平成17年美咲町条例第15号)第13条の規定による意見陳述のための手続を執る場合を除き、町長は、あらかじめ前項の弁明又は弁明書の提出及びこれに関する有利な証拠の提出を求めるものとする。ただし、町長が指定する期間内にこれらを行わなかった場合は、この限りでない。

(処分)

第34条 町長は、関係職員の実態調査、警察官による捜査若しくは取調べ又は関係者の通報等により、処理業者又は従業員に次の各号に掲げる行為のいずれかがあったと認められる場合は、当該各号の処分を行うものとする。

(1) 処理業の許可の取消し又は更新の不許可

 不法に産業廃棄物を収集し、運搬し、処分し又は投棄し、罰金刑以上の刑に処せられたとき。

 不法に一般廃棄物を収集し、運搬し、処分し又は投棄し、罰金刑以上の刑に処せられたとき。

 及びのほか、罰金刑以上の刑に処せられたとき。

 その他許可申請又は変更申請に当たり、関係書類に虚偽の記載をし、許可基準に適合しない事実を隠していたとき。

(2) 処理業の許可の取消し若しくは更新の不許可又は期限を定めて処理業の全部若しくは一部の停止(収集車両の全部又は一部の使用停止を含む。)

 第30条に規定する定例報告について、次号カに該当し、同号に基づき文書による注意を受けた後においても繰返し提出せず、若しくは第31条の報告をせず、又はこれらについて虚偽の報告をし、法の施行上必要な事実の把握が困難なとき。(罰金刑以上の刑に処せられた場合を除く。)

 条例第34条に定める立入検査を拒み、妨げ又は忌避した場合(罰金刑以上の刑に処せられた場合を除く。)

 前号に掲げる行為があったが、罰金刑以上の刑に処せられるに至らなかった場合において、その行為が故意又は重大な過失によるとき。

 第29条に規定する帳簿を備えず、帳簿に記載せず、若しくは虚偽の記載をし、又は保存をしなかったとき。(罰金刑以上の刑に処せられた場合を除く。)

 町長の許可を受けていない事業所の一般廃棄物を取り扱い、次号の注意処分を受け、かつ、これを繰返し行ったとき。

 収集等業務の一部又は全部を処理業の許可を受けていない者又は従業員証の交付を受けていない者に行わせたとき。

 産業廃棄物の処理についての許可をあわせて有する者が、処理施設へ無許可で産業廃棄物を搬入したとき。(過失により一般廃棄物に産業廃棄物を混入し、投棄した場合を除く。)

 町外で排出された廃棄物を処理施設へ搬入したとき。(町長が特に承認したものを除く。)

 処理業者の住所(法人の場合は事務所の所在地及び代表者の住所)若しくは居所又は作業場が定まらないとき。

 不適正な行為により次号の文書による注意処分を受けたにもかかわらず当該不適正な行為を繰返し行ったとき。

 その他処理業を的確に行う能力を欠き、又は的確に行うことができないおそれがあると認められるとき。

(3) 処理業者への文書による注意((ア)から(ウ)までについては、従業員証の交付の取消し又は更新の停止をあわせて行う。)

 収集等業務の一部又は全部を無断で他の処理業者に行わせたとき。(やむを得ない事由により緊急な措置を要し、事後直ちに町長に届け出た場合を除く。)

 作業終了後収集車両を許可申請又は変更申請に当たり申し出た車庫に格納せず、又は他人の管理地に無断で放置したとき。(災害、事故等によりやむを得ず行った場合を除く。)

 収集車両から汚水を漏出し、又は廃棄物を飛散させ、他に迷惑を及ぼしたとき。

 車庫又は洗車設備が不良となり、他に迷惑を及ぼすに至り、これを放置しているとき。

 無断で収集車両を他の業務に供し、又は他に貸し付けたとき、及び無許可車両により収集運搬をしたとき。(やむを得ない事由により緊急な措置を要し、事後直ちに町長に届け出た場合を除く。)

 第30条に定める定例報告を繰返し提出せず、又は虚偽の報告をしたとき。(前号アに該当する場合を除く。)

 処理業の許可若しくは監督指導に関する事務を行う関係職員(以下「許可事務職員」という。)又は処理施設の職員の職務上の指示を守らなかったとき。

 許可業務を行う場合において、違法な行為を行ったとき。

 従業員が、次の行為を行ったとき。

(ア) 許可事務職員又は処理施設の職員の職務上の指示を繰返し守らなかったとき。

(イ) 故意又は重大な過失により、法令等に反し廃棄物を不適正に処理し、又は処理施設の維持管理に支障を生じさせたとき。

(ウ) その他許可に係る業務を的確に行う能力を欠き、又は的確に行うことが出来ないおそれがあると認められるとき。

(エ) 従業員証を携行せず、又は提示を拒んだとき。

(オ) 許可事務職員又は処理施設の職員の職務上の指示を守らなかったとき。

(カ) その他廃棄物の処理について、不適正な行為があったとき。

2 町長は、前項第1号の場合において、違反の事実の有無について訴訟により審理されることとなったときは、この確定判決があるまでの間、処分を保留し、又は事業の全部若しくは一部の停止を命ずることができる。

3 町長は、前条第1項の規定によりあらかじめ徴した弁明又は有利な証拠の提出を受け、かつ、これをしん酌する必要があると認められるときは、その処分を軽減することができる。ただし、法の規定により明らかに処分を要する場合は、この限りでない。

(不許可処分等)

第35条 申請者が、許可の通知を受けない間に、収集等を行ったときは、町長は、処理業の許可を行わず、又は許可を取り消すものとする。

2 処理業者は、従業員証の交付を受けようとしている者を、その交付を受けない間に、収集等に従事させたときは、町長は、従業員証の交付を行わず、又は交付の取消しを行うものとする。

3 申請者が、第7条に定める許可の期間内、かつ、町長が別に定める期日までに第5条各号に掲げる事業を一度も実施しないときは、次回の処理業の許可の更新は行わないものとする。

(補償の申立)

第36条 第34条及び前条の処分を受けた者は、これにより生じた損失について、補償の申立てをすることはできない。

(準用)

第37条 第6条第7条第8条第9条及び第10条の規定は、一般廃棄物のうち、し尿及び浄化槽汚泥の収集運搬業の許可(又は更新許可)申請について準用する。ただし、第6条第10号及び同条第11号並びに第8条第10号及び同条第11号の規定についてはその限りでない。

(その他)

第38条 この要綱に定めるもののほか、必要な事項は、町長が別に定める。

この告示は、平成28年8月1日から施行する。

(平成28年11月28日告示第66号)

この告示は、告示の日から施行し、平成28年11月1日から適用する。

(平成30年10月25日告示第92号)

この要綱は、平成30年11月1日から施行する。

(令和2年3月6日告示第11号)

この告示は、令和2年4月1日から施行する。

(令和2年12月10日告示第112号)

この告示は、令和2年12月10日から施行する。

(令和4年3月30日告示第25号)

この告示は、令和4年4月1日から施行する。

(令和4年9月13日告示第83号)

この告示は、令和4年10月1日から施行する。

画像

画像

画像

画像

画像

画像

画像

画像

画像

画像

画像

画像

画像

画像

画像

画像

画像

画像

美咲町一般廃棄物処理業の許可及び業務の執行に関する要綱

平成28年8月1日 告示第49号

(令和4年10月1日施行)

体系情報
第8編 生/第3章 生/第2節 環境衛生
沿革情報
平成28年8月1日 告示第49号
平成28年11月28日 告示第66号
平成30年10月25日 告示第92号
令和2年3月6日 告示第11号
令和2年12月10日 告示第112号
令和4年3月30日 告示第25号
令和4年9月13日 告示第83号